PCB Connector-PlugPGF-350
PGF-350

3.50mm,300V,8A

Basic Information
Approval

CE认证.png

Category
PCB Connector-Plug
ModelPGF-350
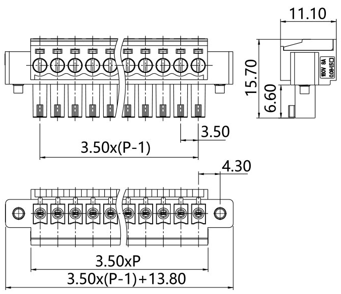
Pitch3.50mm
Poles02P~24P
Plug-in directionPlug-in direction parallel to the conductor axis
ColorGreen
Main Technical Parameters
Pitch[mm]3.50
Technical data in accordance with IEC/DIN and VDE
Insulation materialgroup I
Surge voltagecategory/contamination classIII/3  III/2  II/2
Rated voltage[V]160  160  320
Rated surge voltage[kV]2.5   2.5  2.5
Rated current/Cross section[A]/[mm²]8/1.5
Maximum load current/Cross section[A]/[mm²]8/1.5
Capacity connection
Rigid/flexible conductor/conductor sizes[mm²]/[mm²]/AWG0.08-1.5/0.08-1.5/28-16
Flexible conductors with cold pressing tip  with/without plastic sleeve0.25-0.5/0.25-1.5
Multiple connection(2 conductors with same cross section)
Rigid/flexible conductor[mm²]0.08-0.5/0.08-0.75
Stranded with ferrule without/with plastic sleeve[mm²]0.25-0.34
Stranded with ferrule with plastic sleeve[mm²]0.5
Stripping length[mm]8
Internal cylindrical gauge(IEC 60 947-1)A1
ThreadM2
Torque[Nm]0.22-0.25
Insulating materialPA
Inflammability class in acc.with UL 94V0
Approva ldata(UL/CUL and CSA)
Rated voltage/Rated current/conductor sizes  UL/CUL:[V]/[A]/AWG300/8/30-14
                                             CSA:[V]/[A]/AWG300/8/28-16
Accessory Products

pgf-350图纸.png

Related products

Joinect provides samples for user experience

PCB Connector-PlugPGF-350

PGF-350

x