PCB Connector-SocketSTC-250
STC-250
2.50mm,150V,4A
Approval |
|
Category | PCB Connector-Socket |
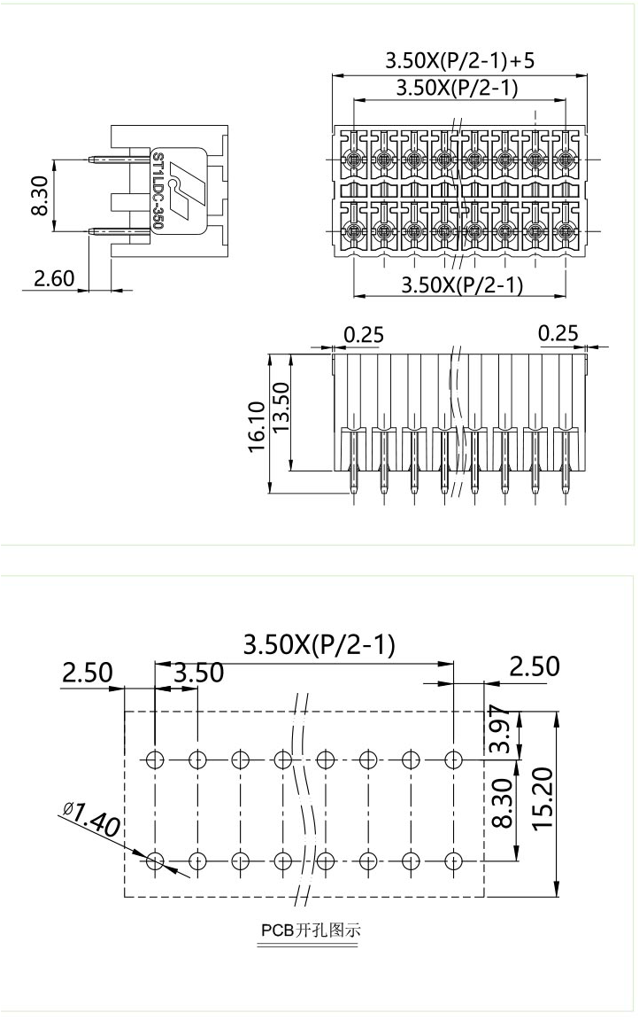
Model | ST1LDC-350V |
Pitch | 3.50mm |
Poles | 2X02P~2X16P |
Plug-in direction | plug-in direction vertical to the PCB |
Color | Green |
Pitch[mm] | 3.50 |
PCB hole diameter[mm] | 1.40 |
Pin dimensions[mm]x[mm] | 0.8x0.8 |
Technical data in accordance with IEC/DIN and VDE | |
Insulation materialgroup | I/III |
Surge voltagecategory/contamination class | III/3 III/2 II/2 |
Rated voltage[V] | 160 160 250 |
Rated surge voltage[kV] | 2.5 2.5 2.5 |
Rated current[A] | 8 |
Maximum load current[A] | 8 |
Insulating material | PA/PBT |
Inflammability class in acc.with UL 94 | V0 |
Approva ldata(UL/CUL and CSA) | |
Rated voltage/Rated current UL/CUL:[V]/[A] | 300/8 |
CSA:[V]/[A] | 300/8 |
Fixing screws | |
for header with threaded flange,header must be screwed before soldering |
Joinect provides samples for user experience
ST1LDC-350V