PCB Connector-SocketSTC-250
STC-250
2.50mm,150V,4A
| Approval |
|
| Category | PCB Connector-Socket |
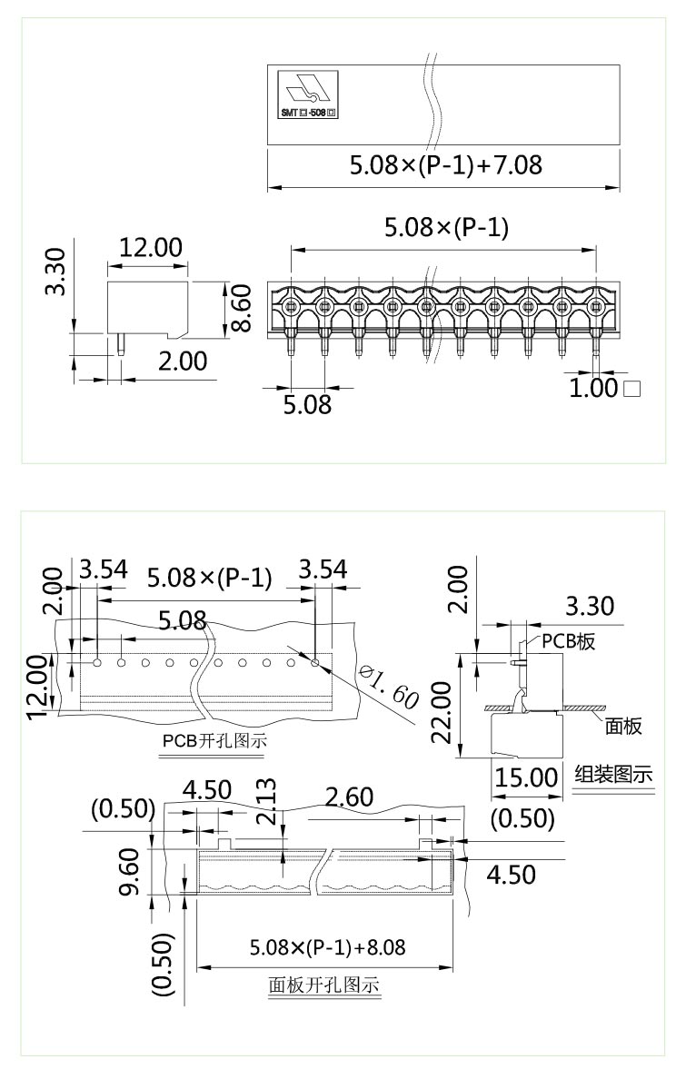
| Model | SMTC-508 |
| Pitch | 5.08mm |
| Poles | 02P~24P |
| Plug-in direction | plug-in direction parallel to the PCB(reverse) |
| Color | Green |
| Pitch[mm] | 5.08 |
| PCB hole diameter[mm] | 1.6 |
| Pin dimensions[mm]x[mm] | 1x1 |
| Technical data in accordance with IEC/DIN and VDE | |
| Insulation materialgroup | I/lll |
| Surge voltagecategory/contamination class | III/3 III/2 II/2 |
| Rated voltage[V] | 320 320 630 |
| Rated surge voltage[kV] | 4 4 4 |
| Rated current[A] | 12 |
| Maximum load current[A] | 12 |
| Insulating material | PA/PBT |
| Inflammability class in acc.with UL 94 | V0 |
| Approva ldata(UL/CUL and CSA) | |
| Rated voltage/Rated current UL/CUL:[V]/[A] | 300/10 |
| CSA:[V]/[A] | 300/10 |
| Fixing screws | |
| for header with threaded flange,header must be screwed before soldering |

Joinect provides samples for user experience
SMTC-508